Anzeigevorrichtung
AV 61


- Ersatzteil oder Gerät anfragen -
Klick auf die Zeichnungsnummer zeigt Informationen zum Ersatzteil
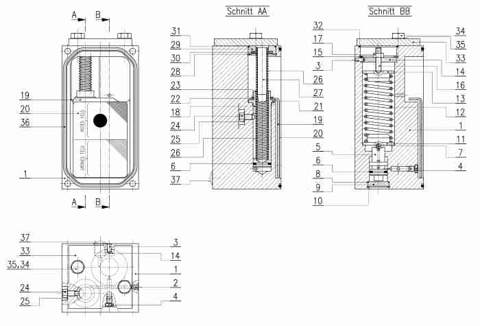
| Pos. | Anzahl | Benennung | Zeichnungsnummer |
|
|---|---|---|---|---|
| 0 | 1 | Gehäuse komplett | AV 61-1 | |
| 0 | 1 | Anzeigeschild komplett | AV 61-11 | |
| 5 | 1 | Kolben | AV 61-3/H | |
| 6 | 2 | Kolbendichtung | AV 61-14 | |
| 7 | 1 | Kugel INOX Ø5 | Kugel Ø 5 | |
| 8 | 1 | O-Ring | OR | |
| 9 | 1 | Scheibe | AV 61-4/H | |
| 10 | 1 | Sicherungsring | SR J24x1.2/A2 | |
| 11 | 1 | Federauflage | AV 61-5/H | |
| 12 | 1 | Druckfeder | AV 61-6 | |
| 13 | 1 | Federauflage | AV 61-7/H | |
| 14 | 1 | Scheibe | AV 61-8/H | |
| 15 | 1 | Sicherungsring 40x1.75 | SR J40x1.75/vz | |
| 16 | 1 | Gewindestift | AV 61-9/H | |
| 17 | 1 | Sechskantmutter | SKM M6/DIN 934 | |
| 18 | 1 | Kolben | AV 61-10 | |
| 21 | 1 | Spannstift | SPS 2.5x4 | |
| 22 | 1 | O-Ring | OR | |
| 23 | 1 | Sicherungsring | SR A19x1.2/A2 | |
| 24 | 1 | Sechskantschr. mit Zapfen | SKS AM6x12/vz | |
| 25 | 1 | Federscheibe B6 | FS B6 | |
| 26 | 1 | Druckfeder | AV 70-14 | |
| 27 | 1 | Zentrierbolzen | AV 70-15/H | |
| 28 | 1 | Sicherungsring | SR J31x1.2/A2 | |
| 29 | 1 | Ring | AV 70-16/H | |
| 30 | 1 | Gummischeibe | AV 70-17/H | |
| 31 | 1 | O-Ring | OR | |
| 32 | 1 | O-Ring | OR | |
| 33 | 1 | Deckel | AV 61-13 | |
| 34 | 2 | Sechskantschr. M8x25 | SKS M8x25 | |
| 35 | 2 | Federscheibe B8 | FS B8 | |
| 36 | 1 | O-Ring | OR | |
| 37 | 1 | Gewindeschutzkappe | 10 119 |

