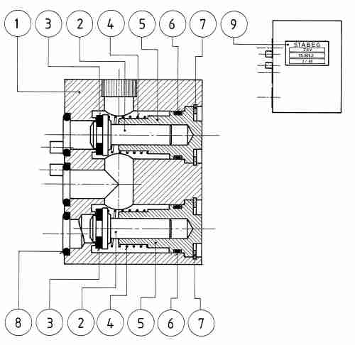
Zweifachrückschlagventil NW7
55.606.3

- pedir pieza de repuesto -
Haga Click sobre el número para más información sobre la pieza de repuesto
| pos. | cant. | desig. | número |
|
|---|---|---|---|---|
| 0 | 1 | Zylinderstift ø 12,25 x 6 | 14 561/16 | |
| 0 | 2 | Spiral-Spannstift | SSPS 4x8 | |
| 1 | 1 | Gehäuse | 11.672.3 | |
| 2 | 2 | Stössel | 21.618.4 | |
| 3 | 2 | Gummidichtung | 25.607.4 | |
| 4 | 2 | resorte | 26.018.4 | |
| 5 | 2 | Deckel | 12.611.4 | |
| 6 | 2 | anillo tórico | OR | |
| 7 | 2 | Anillos de retención para agujeros | SR J20x1/A2 | |
| 8 | 3 | anillo tórico | OR | |
| 9 | 1 | Bezeichnungsschild | 29.623.4 |
