cilindro de frenos
BZ 12 A
N 029 429

- pedir pieza de repuesto -
Haga Click sobre el número para más información sobre la pieza de repuesto
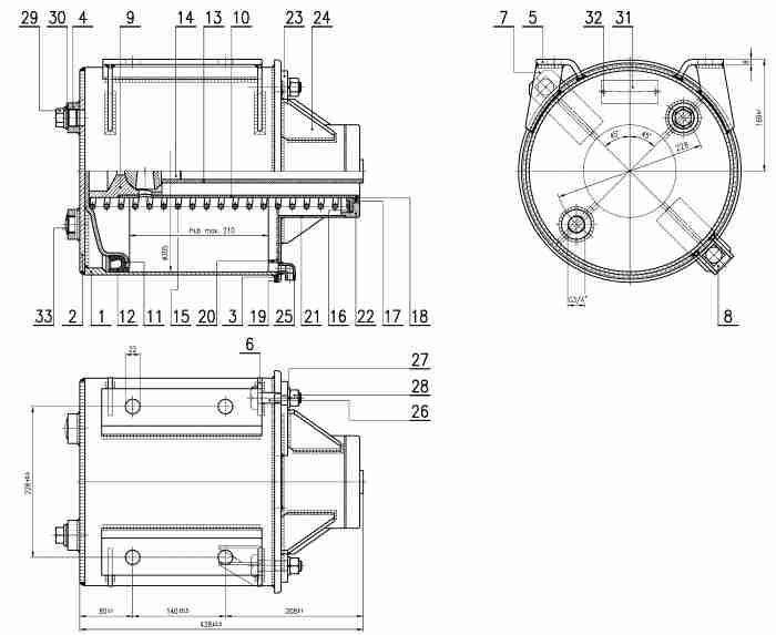
| pos. | cant. | desig. | número |
|
|---|---|---|---|---|
| 0 | 1 | Gewindeschutzpf.G3/4 | 10 245 | |
| 0 | 1 | Zylinder kompl. | BZ 12 A-1 | |
| 1 | 1 | Zylinder | BZ 12-212 | |
| 2 | 1 | Boden | BZ 12-213 | |
| 3 | 1 | Ring | BZ 12-214 | |
| 4 | 2 | Anschlußstutzen | BZ 10-151 | |
| 5 | 2 | Tragwinkel | BZ 12-34 | |
| 6 | 1 | Spannrippe | BZ 12-44 | |
| 7 | 3 | Rippe | BZ 12-43 | |
| 8 | 1 | Schelle | BZ 12-45 | |
| 9 | 1 | Pfanne | BZ 12-20 | |
| 10 | 1 | Kolbenrohr | BZ 12-31 | |
| 11 | 1 | Kolbenplatte | BZ 12-91 | |
| 12 | 1 | Manschette | 10 299 | |
| 13 | 1 | Kolbenstange | BZ 12-30 | |
| 14 | 1 | Kolbenstangenkugel | K 10 B-2 | |
| 15 | 1 | resorte | 13 156 | |
| 16 | 1 | Scheibe | DBZ 614-43 | |
| 17 | 1 | Führungsbuchse | DBZ 614-44 | |
| 18 | 1 | Federring | BZ 12-15 | |
| 19 | 1 | Deckel | BZ 12-106 | |
| 20 | 1 | Spannring | BZ 12-37 | |
| 21 | 1 | Haubenrohr | BZ 12-32 | |
| 22 | 1 | Halsstutzen | BZ 12-103 | |
| 23 | 2 | Lappen | BZ 12-16/H | |
| 24 | 4 | Versteifung | BZ 12-110/H | |
| 25 | 1 | Winkelstück R1/8"DIN 1569 | WST R1/8" | |
| 26 | 2 | Vierkantschraube | BZ 10-101 | |
| 27 | 2 | anillo elástico | FR A16 | |
| 28 | 2 | tuerca hexagonal | SKM M16 | |
| 29 | 1 | Verschlußschraube 3/4" | VSS R3/4" | |
| 30 | 1 | Dichtring A26x34x2 | DR A 26 | |
| 31 | 1 | Bezeichnungsschild | BZ 10-111 |
