STABEG Apparatebau GmbH - Reinlgasse 5-9 - 1140 Bec Austrija - Tel.: +43 +1 982 26 28 - Fax.: +43 +1 982 61 66


Rezervni dio za:

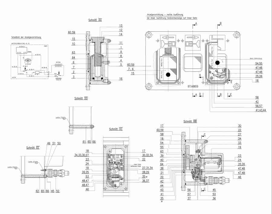
Anzeigevorrichtung - links

AV 2056/l

N 016 025

Anzeigevorrichtung - links AV 2056/l

- rezervni dio ili aparat -


Klik na broj nacrta pokazuje informaciju za rezervni dio
PozicijaKolicina Naziv Broj nacrta
01 Wärmeleitscheibe 0,24mm652402652402
02 KlebeschildAV 10-12/dünnAV 10-12/dünn
01 Chassis komplettAV 56-39AV 56-39
01 SchildE 100.813E 100.813
02 O-RingOROR
01 BeistellsatzStabeg 08-1
02 IsolierbuchseTO-220TO-220
12 GehäuseAV 10-1AV 10-1
22 KolbenAV 01-3/HAV 01-3/H
32 Nutring, NBR 60AV 10-7AAV 10-7A
42 SechskantschraubeSKS AM6x20
52 Federscheibe B6FS B6FS B6
62 AnzeigeschildAV 10-5/HAV 10-5/H
82 O-RingOROR
92 SicherungsringSR A32x1.5/A2SR A32x1.5/A2
102 FederAV 2-5BAV 2-5B
112 diskAV 10-10AV 10-10
122 GummischeibeAV 2-11AV 2-11
132 DeckelAV 10-4/HAV 10-4/H
142 Dichtring 38/44x1W 4088 319 XW 4088 319 X
153 O-RingOROR
162 Gewindeschutzkappe10 11910 119
171 GehäuseAV 56-26AV 56-26
181 MontageplatteAV 56-27/HAV 56-27/H
191 MotorAV 56-6AV 56-6
204 Zylinderschraube M3x12ZSR M3x12
214 Federring A3FR A3
221 Print komplettAV 56-31AV 56-31
302 HülseAV 56-37/HAV 56-37/H
311 cilindrični šarafZSR M3x6 PA
321 cilindrični šarafZSR M3x10
331 cilindrični šarafZSR M3x12 PA
347 Federscheibe A3FS A3FS A3
351 HochlastwiderstandAV 56-7/390 OhmAV 56-7/390 Ohm
362 Zylinderschraube M3x6ZSR M3x6
381 KurbelscheibeAV 56-28/HAV 56-28/H
391 KurbelbolzenAV 56-19/HAV 56-19/H
401 Gewindestift M6x25STS M6x25
412 ScheibeAV 56-9/HAV 56-9/H
421 MikroschalterAV 56-8AV 56-8
432 Zylinderschraube M3x16ZSR M3x16
504 Zylinderschraube AM2.6x10ZSR AM2.6x10ZSR AM2.6x10
514 Federscheibe A 2.6FS A2.6FS A2.6
521 SteckerST 401 191-1ST 401 191-1
531 KabelbinderSST 1M-CSST 1M-C
541 AnzeigeschildAV 56-5/HAV 56-5/H
551 KlebeschildAV 56-43AV 56-43
562 ZylinderschraubeZSR M5x16/912
572 Federring B5FR B5
601 Deckel linksAV 2056-2AV 2056-2
618 GewindebolzenAV 10-8/HAV 10-8/H
624 GewindebolzenAV 56-10/HAV 56-10/H
633 O-RingOROR
643 StaubschutzAV 10-6CAV 10-6C
6512 Scheibe 6.4SCH 6.4
6612 Sechskantmutter M6SKM M6/DIN 985SKM M6/DIN 985

Rezervni dio istampati


Natrag

>