STABEG Apparatebau GmbH - Reinlgasse 5-9 - 1140 Bec Austrija - Tel.: +43 +1 982 26 28 - Fax.: +43 +1 982 61 66


Norm- &
Datenblätter
Downloads
N 027001 Umstellvorrichtung EIN-AUS Type 14640.pdf
N 027004 Umstellvorrichtunge P-R-R+Mg Type UV 1.pdf
N 027008 Umstellvorrichtung EIN-AUS Type 14958.pdf
N 027010 Umstellvorrichtung Type RIC-R-R+Mg Type UV 3.pdf
N 027011 Umstellvorrichtung RIC-R Type 14975.pdf
N 027015 Umstellvorrichtung EIN-AUS Type UV 10.pdf
N 027021 Umstellvorrichtung EIN-AUS Type UV 12.pdf
N 027031 Umstellvorrichtung EIN-AUS Type UV 16.pdf
N 027039 Umstellvorrichtung RIC-R-R+Mg Type UV 23.pdf
N 027040 Umstellvorrichtung EIN-AUS Type UV 24.pdf
N 027041 Loesezug Type UV 25.pdf
N 027046 Umstellvorrichtung EIN-AUS Type UV 32.pdf
N 027051 Loesezug Type UV 37.pdf
N 027056 Umstellvorrichtung RIC-R-R+Mg Type UV 40 mit beweglichem Anschluss.pdf
N 027057 Umstellvorrichtung EIN-AUS Type UV 41.pdf
N 027060 Umstellvorrichtung EIN-AUS Type UV 45 mit beweglichem Anschluss u Verstellsicherung.pdf
N 027061 Loesezug Type UV 46.pdf
N 027062 Umstellvorrichtung RIC-R-R+Mg mit beweglichem Anschluss.pdf
N 027063 Umstellvorrichtung EIN-AUS rechte Ausfuehrung Type UV 48 mit beweglichem Anschluss.pdf
N 027064 Umstellvorrichtung EIN-AUS linke Ausfuehrung Type UV 49 mit beweglichem Anschluss.pdf
N 027065 Umstellvorrichtung RIC-R-R+Mg Type UV 50 mit beweglichem Anschluss.pdf
N 027066 Loesezug Type UV 51 mit flexibler Verbindung.pdf
N 027069 Umstellvorrichtung EIN-AUS Type UV 54.pdf
N 027070 Umstellvorrichtung RIC-R Type UV 55.pdf
N 027072 Umstellvorrichtung R-R+Mg Type UV 57.pdf
N 027073 Umstellvorrichtung R-R+Mg Type UV 58 mit beweglichem Anschluss.pdf
N 027074 Umstellvorrichtung Type UV 59C.pdf
N 027076 Umstellvorrichtung EIN-AUS rechte Ausfuehrung Type UV 48A mit beweglichem Anschluss.pdf
N 027080 Umstellvorrichtung Type R-R+Mg Type UV 60.pdf

Izrada naprava za izmjenu

Kao dugogodisnji isporucitelj aparata za tracna vozila, te pod licencom drusta OERLOKON, smo se dodatno specijalizirali nuditi naprave za izmjenu iz nase konstrukcije.

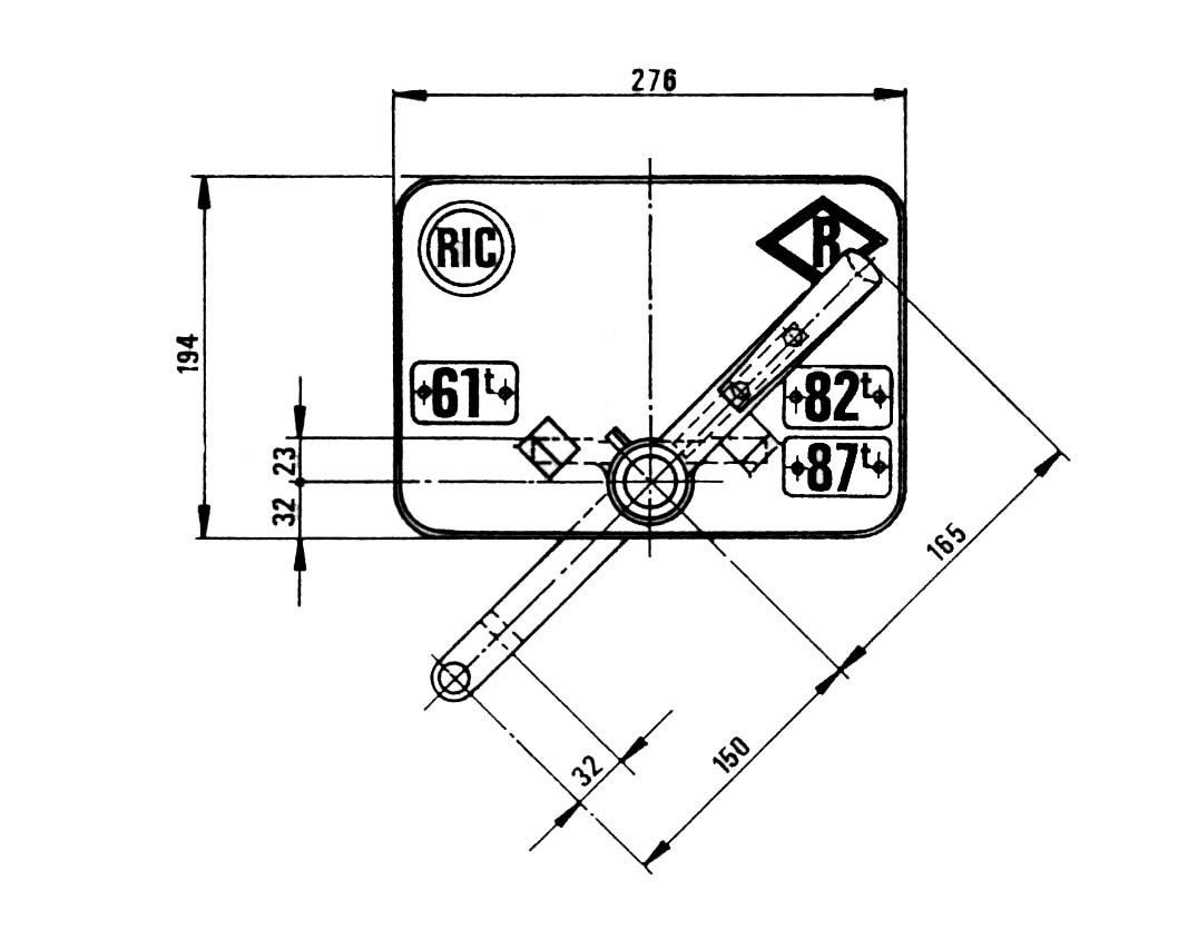
Umstellvorrichtung RIC-R-R+Mg/Bauart"a"100mm UV 23 "a"
Normblatt: N 027 039


Umstellvorrichtung RIC-R-R+Mg/BauartMit einem gerasteten Handgriff wird die Bremsart RIC, R oder R+Mg gewählt.
Die Verbindung von einer Wagenseite zur anderen erfolgt über eine Welle Ø25h11 (Anteil Waggonbaufirma), die gleichen Hebel-Stellungen werden durch zwei Zahnsegmente erreicht.
Die Betätigung der Bremsart an den Geräten der Bremse erfolgt über Gabelhebel (ZNr. 10413-3) und Gestänge.
Schilder aus Aluminium-Kokillenguß, Lagerungen mit Kunststoff-Buchsen versehen.

Lösezug UV 25
Normblatt: N 027 041


Lösezug UV 25Die Lösezugeinrichtung wird bei Druckluftbremsen mit automatischem Auslöser verwendet.
Sie hat einen Hub von 35mm und ist mit einer Rückstellfeder ausgestattet.






Te naprave se izradjuju, kao i pokazne naprave, u konvencionalnoj izvedbi, kao i sa normiranim stitnim lezajem.


Naprava za izmjenu UPALJENO-UGASENO (radni kut 75°)
  Ovisno o zahtjevu kupca se mijenja broj i duzina poluga za promjenu kao i oprema sa ili bez fiksiranja finalnog polozaja

Naprava za izmjenu RIC-R
Ovisno o zahtjevu kupca se mijenja broj i duzina poluga za promjenu.

Naprava za izmjenu RIC-R-R+Mg
Ovisno o zahtjevu kupca se mijenja broj i duzina poluga za promjenu.

Naprava za izmjenu UPALJENO-UGASENO (radni kut 75°) u izradbi sa lezajem tablice.
Ovisno o zahtjevu kupca se mijenja broj i duzina poluge za promkenu kao i oprema sa ili bez fiksiranja finalnog polozaja.


Naprava za izmjenu UV24

Naprava za izmjenu RIC-R-R+Mg u izradbi sa lezajem tablice
Ovisno o zahtjevu kupca se mijenja broj i duzina poluga za promjenu.


Naprava za izmjenu UV23

Konstrukcija otapanja za kontrolni ventil u izradbi sa lezajem tablice


Naprava za izmjenu UV25

Mogu se po zahtjevu kupca kombinacije pokazne naprave i naprave za izmjenu i specijalne naprave za izmejnu izraditi.


Ispitna i prikazna tablica AV-UV1004
Ispitna i prikazna tablicaAV-UV 1004 za SBB

Ova kombinacija sadrzaje jednu napravu za izmjenu UPALJENO-UGASENO, jedan kontrolni prikaz za Mg-kocnicu kao i prikaznu napravu sa 3 linije za zracnu kocnicu i za kocnicu sa opruznim spremistem


 

Naprava za izmjenu UV59
Naprava za izmjenu Tip UV 59 za SBB

Ta naprava za izmejnu je posebna izrada za odvajanje kola


 

Dodatno uz te konvencionalne naprave, koje sa jednom prolaznom osovinom jednu stranu kola sa drugom spaja, se zbog specijalne konstrukcije kola ne daje mogucnosti spojiti obe strane kola na taj nacin.
U tim slucajevima bi bilo potrebno obe strane kola sa fleksibilnijom osovinom spojiti, pri cemu se duzina fleksibilne osovine bira po polaganju.

Naprava za izmjenu UPALJENO-UGASENO, Tip UV 45
Kod te naprave se rotacijsko pokretanje na rucki izdaje kao rotcijsko pokretanje.


UNaprava za izmjenu UV45

Naprava za izmjenu UPALJENO-UGASENO, Tip UV 48/49
Kod te naprave se rotacijsko pokretanje na rucki izdaje kao pokretanje po duljini.


Naprava za izmjenu UV48/49

Naprava za izmjenu RIC-R-R+Mg, Tip UV 40
Kod te naprave se rotacijsko pokretanje na rucki izdaje kao rotcijsko pokretanje.


Naprava za izmjenu UV40

Naprava za izmjenu RIC-R-R+Mg, Tip UV 50
Kod te naprave se rotacijsko pokretanje na rucki izdaje kao pokretanje po duljini.


Naprava za izmjenu UV50

Konstrukcija otapanja Tip UV 46
Kod te naprave se sa vlacnim pokretanjem na konstrukciji otapanja okidni ventil zracne kocnice pokrece.


Naprava za izmjenu UV46

- Upiti -