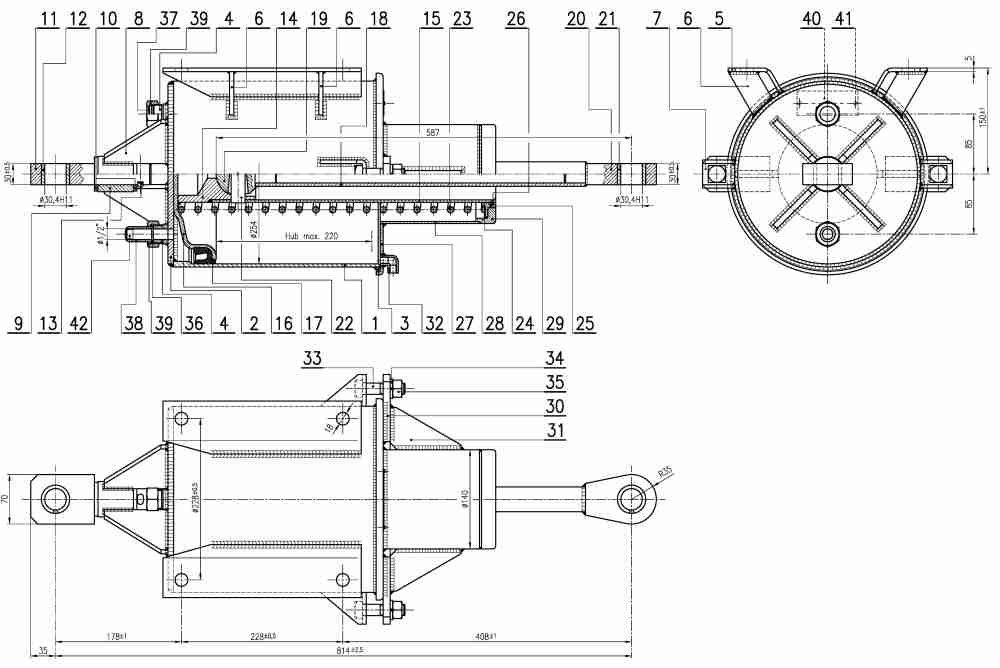
Bremszylinder 10"
BZ 10 D
N 029 201

- rezervni dio ili aparat -
Klik na broj nacrta pokazuje informaciju za rezervni dio
| Pozicija | Kolicina | Naziv | Broj nacrta |
|
|---|---|---|---|---|
| 0 | 1 | Zylinder komplett | BZ 10 D-1 | |
| 0 | 1 | Kolben komplett | BZ 10-187 | |
| 0 | 1 | Kolbenstange komplett | BZ 10-189 | |
| 0 | 1 | Deckel komplett | BZ 10-196 | |
| 0 | 1 | Moosgummipfropfen Ø8 | Ø8x5 | |
| 12 | 1 | Walterbüchse mit Keil | Wb 40/30.4x30/K | |
| 17 | 1 | Manschette 10" | BZ 10-18 | |
| 22 | 1 | Bolzen | K 10 B-4/H | |
| 23 | 1 | Feder | BZ 10-27 | |
| 24 | 1 | Scheibe | DBZ 614-43 | |
| 25 | 1 | Führungsbuchse | DBZ 614-44 | |
| 26 | 1 | Federring | BZ 12-15 | |
| 33 | 2 | Vierkantschraube M16x60 | BZ 10-100 | |
| 34 | 2 | Federring A16 vz | FR A16 | |
| 35 | 2 | Sechskantmutter M16 vz | SKM M16 | |
| 36 | 2 | Dichtring | 12 639-6 | |
| 37 | 1 | Deckscheibe | BZ 12-23 | |
| 38 | 1 | Bördelstutzen NW 1/2" | 12 639-2 | |
| 39 | 2 | Überwurfmutter NW 1/2" | 12 639-3 | |
| 40 | 1 | Bezeichnungsschild | BZ 10-111 | |
| 41 | 2 | Kerbnagel | KN 3x5/St | |
| 42 | 1 | Gewindeschutzstopfen | 10 154 |
