kocnicki cilindar
BZ 10 X
N 029 240

- rezervni dio ili aparat -
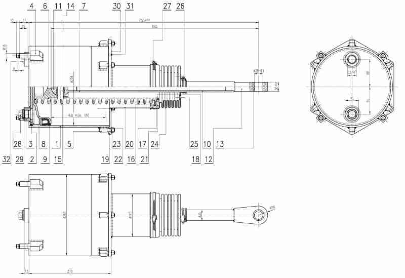
Klik na broj nacrta pokazuje informaciju za rezervni dio
| Pozicija | Kolicina | Naziv | Broj nacrta |
|
|---|---|---|---|---|
| 0 | 2 | Gewindeschutzpf.G3/4 | 10 245 | |
| 1 | 1 | Zylinder | BZ 10-55 | |
| 2 | 1 | Boden | BZ 10-56 | |
| 3 | 2 | Anschlußstutzen | BZ 16-23 | |
| 4 | 4 | Befestigung | BZ 10-57 | |
| 5 | 6 | Befestigung | BZ 10-58 | |
| 6 | 1 | Pfanne | BZ 12-20 | |
| 7 | 1 | Kolbenrohr | BZ 12-31 | |
| 8 | 1 | Kolbenplatte | BZ 10-17 | |
| 9 | 1 | Manschette 10" | BZ 10-18 | |
| 10 | 1 | Kolbenstange | BZ 10-61 | |
| 11 | 1 | Kolbenstangenkugel | K 10 B-2 | |
| 12 | 1 | Kolbenstangenauge | BZ 10-63 | |
| 13 | 1 | walter biksna | BZ 10-49 | |
| 14 | 1 | Bolzen | K 10 B-4/H | |
| 15 | 1 | Feder | BZ 10-27 | |
| 16 | 1 | Scheibe | DBZ 614-43 | |
| 17 | 1 | Führungsbuchse | DBZ 614-44 | |
| 18 | 1 | Federring | BZ 12-15 | |
| 19 | 1 | Deckel | BZ 10-60 | |
| 20 | 1 | Haubenrohr | BZ 12-13 | |
| 21 | 1 | Halsstutzen | BZ 12-103 | |
| 22 | 6 | Sechskantmutter M10 | SKM M10/DIN 934 | |
| 23 | 6 | Federring A10 DIN 127 | FR A10 | |
| 24 | 1 | Faltenbalg | BZ 10-35 | |
| 26 | 1 | Schlauchschelle | SGL 32-50 | |
| 27 | 1 | Schlauchschelle | SGL 130-150 | |
| 29 | 1 | Dichtring A26x34x2 | DR A 26 | |
| 30 | 1 | Bezeichnungsschild | BZ 10-111 | |
| 31 | 2 | Halbrundkerbnagel | KN 3x5 |
