Bremszylinder 8"
BZ 8 C-81
N 029 127

- rezervni dio ili aparat -
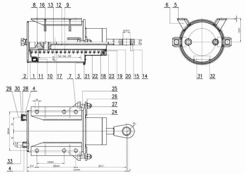
Klik na broj nacrta pokazuje informaciju za rezervni dio
| Pozicija | Kolicina | Naziv | Broj nacrta |
|
|---|---|---|---|---|
| 0 | 1 | Zylinder komplett | BZ 8-137/K | |
| 0 | 1 | Kolben komplett | BZ 8-148/K | |
| 0 | 1 | Kolbenstange komplett | BZ 8-152/K | |
| 0 | 1 | Deckel komplett | BZ 8-155/K | |
| 0 | 1 | Walterbüchse mit Keil | Wb 45/37x30/K | |
| 11 | 1 | Manschette | BZ 8-18 | |
| 16 | 1 | Bolzen | K 10 B-4/H | |
| 17 | 1 | Feder | 13 156 | |
| 18 | 1 | Scheibe | DBZ 614-43 | |
| 19 | 1 | Führungsbuchse | DBZ 614-44 | |
| 20 | 1 | Federring | BZ 12-15 | |
| 25 | 2 | Vierkantschraube M16x60 | BZ 10-100 | |
| 26 | 2 | Federring A16 vz | FR A16 | |
| 27 | 2 | Sechskantmutter M16 vz | SKM M16 | |
| 28 | 1 | Dichtring | 12 639-6 | |
| 29 | 1 | Deckscheibe | BZ 12-23 | |
| 30 | 1 | Überwurfmutter NW 1/2" | 12 639-3 | |
| 31 | 1 | Bezeichnungsschild | BZ 10-111 | |
| 32 | 2 | Halbrundkerbnagel | KN 3x5 | |
| 33 | 1 | Gewindeschutzkappe R3/4" | 50 273 |
