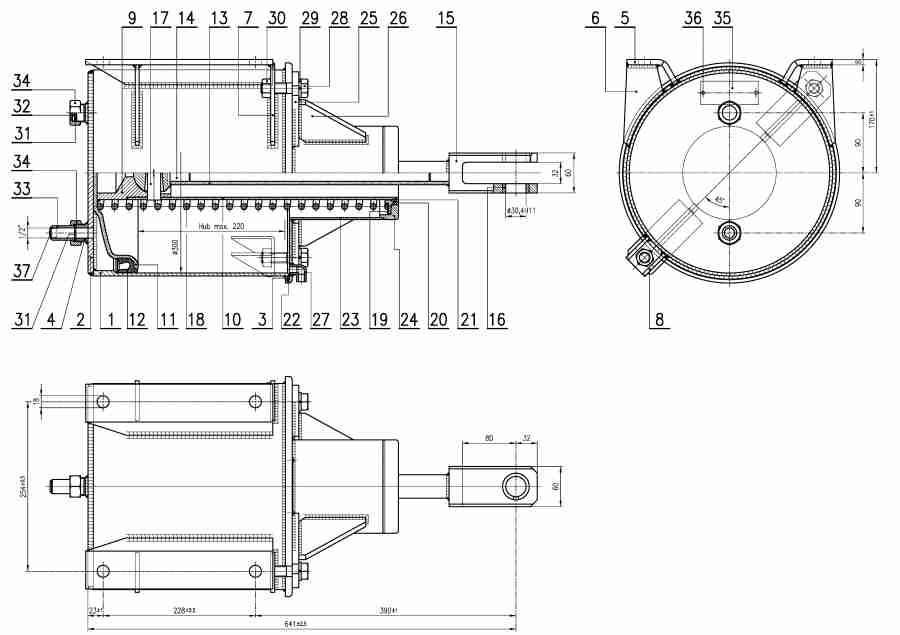
Bremszylinder geschweißt
BZ 12 R
N 029 437

- rezervni dio ili aparat -
Klik na broj nacrta pokazuje informaciju za rezervni dio
| Pozicija | Kolicina | Naziv | Broj nacrta |
|
|---|---|---|---|---|
| 0 | 1 | Gewindeschutzpf.G1/2 | 10 196 | |
| 0 | 2 | Stutzen 1/2" | 12 639-1.0 | |
| 0 | 1 | Deckel | BZ 12-105 | |
| 0 | 1 | Kolbenrohr kompl. | BZ 12-21 | |
| 0 | 1 | Zylinder | BZ 12-212 | |
| 0 | 1 | Boden | BZ 12-213 | |
| 0 | 1 | Ring | BZ 12-214 | |
| 0 | 1 | Kolbenstange | BZ 12-90 | |
| 0 | 2 | walter biksna s klinom | Wb 40/30.4x14 | |
| 0 | 1 | Moosgummipfropfen Ø8 | Ø8x5 | |
| 5 | 2 | Tragwinkel | BZ 12-2 | |
| 6 | 3 | Rippe | BZ 12-108/H | |
| 7 | 1 | Rippe | BZ 12-109 | |
| 8 | 1 | Schelle | BZ 12-9 | |
| 9 | 1 | Pfanne | BZ 12-20 | |
| 11 | 1 | Kolbenplatte 12" | BZ 12-18 | |
| 12 | 1 | Manschette 12" | BZ 12-19 | |
| 14 | 1 | Kolbenstangenkugel | K 10 B-2 | |
| 15 | 1 | Gabelkopf | BZ 12-88 | |
| 17 | 1 | Bolzen | K 10 B-4/H | |
| 18 | 1 | Feder | BZ 10-27 | |
| 19 | 1 | Scheibe | DBZ 614-43 | |
| 20 | 1 | Führungsbuchse | DBZ 614-44 | |
| 21 | 1 | Federring | BZ 12-15 | |
| 23 | 1 | Haubenrohr | BZ 12-13 | |
| 24 | 1 | Halsstutzen | BZ 12-103 | |
| 25 | 2 | Lappen | BZ 12-16/H | |
| 26 | 2 | Versteifung | DBZ 614-18 | |
| 27 | 1 | Winkelstück R1/8"DIN 1569 | WST R1/8" | |
| 28 | 2 | Sechskantschraube 8.8 | SKS M16x60 | |
| 29 | 2 | Federring A16 vz | FR A16 | |
| 30 | 2 | Sechskantmutter M16 vz | SKM M16 | |
| 31 | 2 | Dichtring | 12 639-6 | |
| 32 | 1 | Deckscheibe | BZ 12-23 | |
| 33 | 1 | Bördelstutzen NW 1/2" | 12 639-2 | |
| 34 | 2 | Überwurfmutter NW 1/2" | 12 639-3 | |
| 35 | 1 | Bezeichnungsschild | BZ 10-111 | |
| 36 | 2 | Halbrundkerbnagel | KN 3x5 |
