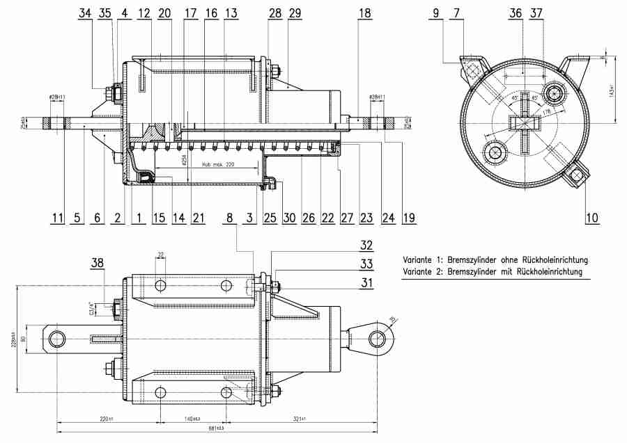
Bremszylinder mit Rückholung 10"
BZ 10 GC/II
N 029 235

- rezervni dio ili aparat -
Klik na broj nacrta pokazuje informaciju za rezervni dio
| Pozicija | Kolicina | Naziv | Broj nacrta |
|
|---|---|---|---|---|
| 0 | 1 | Zylinder komplett | BZ 10 GC-1 | |
| 0 | 2 | Vierkantschraube M16x60 | BZ 10-100 | |
| 0 | 1 | Kolben komplett | BZ 10-156 | |
| 0 | 1 | Kolbenstage komplett | BZ 10-159 | |
| 0 | 1 | Deckel komplett | BZ 10-160 | |
| 0 | 1 | Bolzen | K 10 B-4/H | |
| 0 | 1 | Moosgummipfropfen Ø8 | Ø8x5 | |
| 15 | 1 | Manschette 10" | BZ 10-18 | |
| 21 | 1 | Feder | 13 156 | |
| 22 | 1 | Scheibe | DBZ 614-43 | |
| 23 | 1 | Führungsbuchse | DBZ 614-44 | |
| 24 | 1 | Federring | BZ 12-15 | |
| 28 | 1 | Lappen | BZ 10-16/H | |
| 29 | 1 | Versteifung | BZ 12-17/H | |
| 32 | 2 | Federring A16 vz | FR A16 | |
| 33 | 2 | Sechskantmutter M16 vz | SKM M16 | |
| 34 | 1 | Verschlußschraube 3/4" | VSS R3/4" | |
| 35 | 1 | Dichtring A26x34x2 | DR A 26 | |
| 36 | 1 | Bezeichnungsschild | BZ 10-111 | |
| 37 | 2 | Kerbnagel | KN 3x5/St | |
| 38 | 1 | Gewindeschutzpf.G3/4 | 10 245 |
