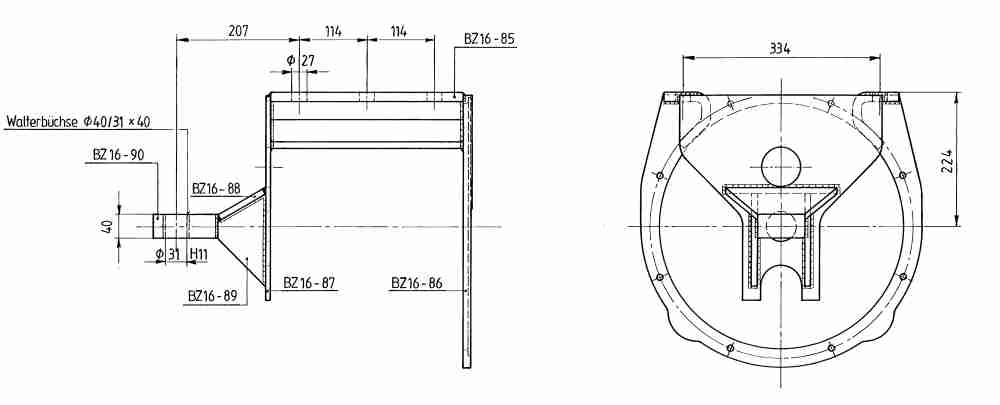
Tragrahmen kompl. geschw.
BZ 16-91

- rezervni dio ili aparat -
Klik na broj nacrta pokazuje informaciju za rezervni dio
| Pozicija | Kolicina | Naziv | Broj nacrta |
|
|---|---|---|---|---|
| 1 | 2 | Tragwinkel | BZ 16-85/H | |
| 2 | 1 | Spannring | BZ 16-86 | |
| 3 | 1 | Zentrierplatte | BZ 16-87/H | |
| 4 | 1 | Rippe | BZ 16-88/H | |
| 5 | 2 | Rippe | BZ 16-89/H | |
| 6 | 1 | Hebelträger | BZ 16-90 |
