naprava za izmjenu upaljeno ugaseno
UV 41
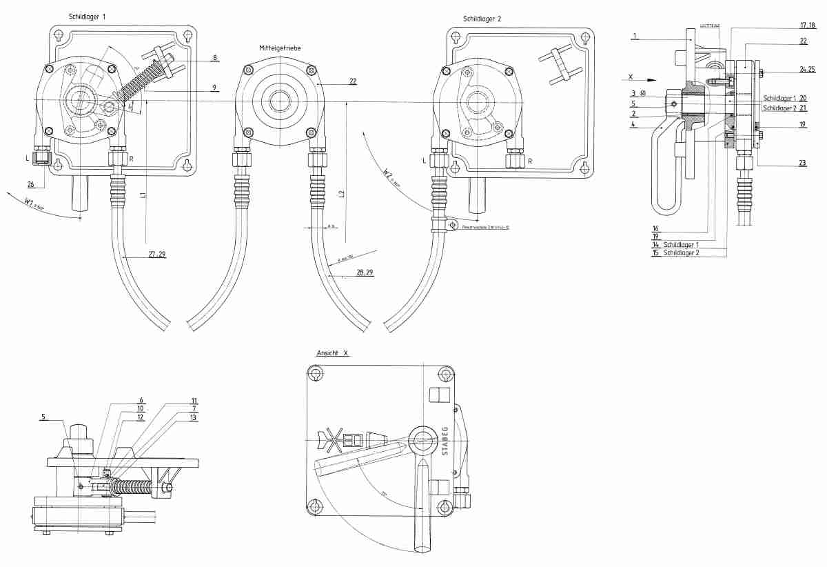
N 027 ß57

- rezervni dio ili aparat -
Klik na broj nacrta pokazuje informaciju za rezervni dio
| Pozicija | Kolicina | Naziv | Broj nacrta |
|
|---|---|---|---|---|
| 1 | 2 | Schildlager | UV 41-1 | |
| 4 | 2 | Griff | 14 338 | |
| 5 | 3 | Spannstift | SPS 6x40 | |
| 6 | 1 | Gabelhebel kurz | 10 410 G | |
| 7 | 1 | Bolzen | 14 818-1 | |
| 8 | 1 | Scheibe | 14 818-2 | |
| 9 | 1 | Feder | UV 41-5 | |
| 10 | 1 | Bolzen DIN 1434 | Ø10h11x35x27 | |
| 11 | 1 | disk | SCH 10.5/DIN 433 | |
| 12 | 1 | Splint | SP 3.2x20 | |
| 13 | 1 | disk | SCH 13 | |
| 14 | 2 | Montageplatte | UV 41-21 | |
| 16 | 2 | Ring | UV 40-3 | |
| 17 | 6 | Zylinderschraube M6x20 | ZSR M6x20 | |
| 18 | 14 | Federscheibe B6 | FS B6 | |
| 19 | 4 | O-Ring | OR | |
| 20 | 1 | Welle | UV 41-3 | |
| 21 | 1 | Welle | UV 41-4 | |
| 23 | 2 | Deckel | UV 40-4 | |
| 24 | 8 | Sechskantschraube | SKS M6x45 | |
| 26 | 2 | Deckscheibe | UV 40-8 |
