brake cylinders
BZ 16 D
N 029 601

- inquire spare part or device -
Click on drawing number for information about spare part
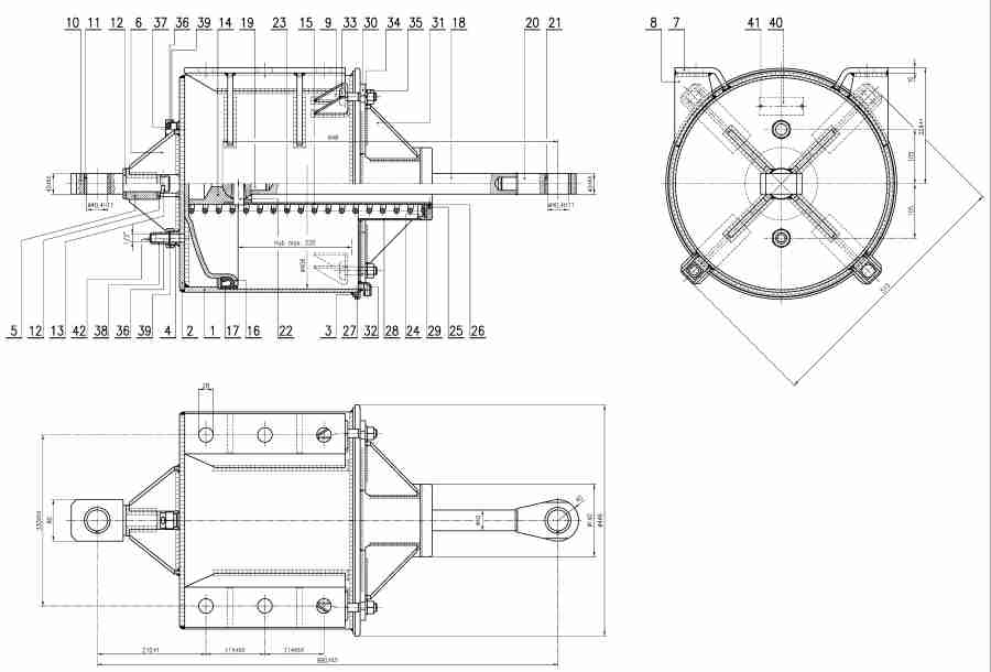
| pos. | count | name | drawing number |
|
|---|---|---|---|---|
| 0 | 1 | Kolben komplett | BZ 16-143 | |
| 0 | 1 | Deckel komplett | BZ 16-146 | |
| 0 | 1 | Kolbenstange komplett | BZ 16-159 | |
| 0 | 1 | Zylinder komplett | BZ 16-42 | |
| 0 | 2 | Walterbüchse | Wb 50/40.4x40 | |
| 0 | 2 | walter bush with wedge | WB 50/40.4x40/K | |
| 0 | 1 | Moosgummipfropfen Ø8 | Ø8x5 | |
| 13 | 1 | Splint | SP 8x50 | |
| 17 | 1 | Manschette | BZ 16-19 | |
| 22 | 1 | Bolt | K 10 B-4/H | |
| 23 | 1 | spring | BZ 16-40 | |
| 24 | 1 | Washer | DBZ 614-43 | |
| 25 | 1 | Führungsbuchse | DBZ 614-44 | |
| 26 | 1 | Federring | BZ 12-15 | |
| 33 | 4 | Vierkantschraube M16x60 | BZ 10-100 | |
| 34 | 4 | Federring A16 vz | FR A16 | |
| 35 | 4 | Sechskantmutter M16 vz | SKM M16 | |
| 36 | 2 | Dichtring | 12 639-6 | |
| 37 | 1 | Deckscheibe | BZ 12-23 | |
| 38 | 1 | Bördelstutzen NW 1/2" | 12 639-2 | |
| 39 | 2 | Überwurfmutter NW 1/2" | 12 639-3 | |
| 40 | 1 | Bezeichnungsschild | BZ 10-111 | |
| 41 | 2 | Kerbnagel | KN 3x5/St |
