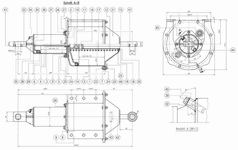
Doppelbremszylinder 614 ohne Anschlüsse
DBZ 614-A1/o.A.
N 030 004


- inquire spare part or device -
Click on drawing number for information about spare part
| pos. | count | name | drawing number |
|
|---|---|---|---|---|
| 0 | 1 | Zylinder schweissen | DBZ 614-52/Sw | |
| 0 | 1 | Tragrahmen schweissen | DBZ 614-54/Sw | |
| 0 | 1 | Zylinder schweissen | DBZ 614-69/Sw | |
| 0 | 1 | Kolben schweissen | DBZ 614-73/Sw | |
| 0 | 1 | Kolben schweissen | DBZ 614-74/Sw | |
| 0 | 1 | Deckel schweissen | DBZ 614-76/Sw | |
| 0 | 2 | walter bush with wedge | WB 50/40.4x40/K | |
| 0 | 1 | Moosgummipfropfen Ø5 | Ø5x5 | |
| 0 | 1 | Moosgummipfropfen Ø8 | Ø8x5 | |
| 14 | 1 | Manschette | 14 708 | |
| 15 | 1 | Kolbenstange schweißen | DBZ 614-72/Sw | |
| 16 | 1 | Bolt | K 10 B-4/H | |
| 17 | 1 | spring | DBZ 614-16 | |
| 18 | 1 | Washer | DBZ 614-43 | |
| 19 | 1 | Führungsbüchse | DBZ 614-79 | |
| 20 | 1 | Federring | BZ 12-15 | |
| 23 | 8 | Sechskantscsshraube | SKS M12x35/933 | |
| 24 | 12 | Federring A 12 | FR A12 | |
| 25 | 12 | Hexagonal nut M12 | SKM M12 | |
| 26 | 1 | Verschlußschraube 3/4" | VSS R3/4" | |
| 27 | 1 | Dichtring A26x34x2 | DR A 26 | |
| 28 | 1 | Gewindeschutzpf.G3/4 | 10 245 | |
| 38 | 1 | Manschette | BZ 6-19 | |
| 39 | 1 | Verschlußschraube | VSS R1/2"/910 | |
| 40 | 1 | Dichtring Cu | DR A21x28x1.5 | |
| 42 | 1 | Bezeichnungsschild | BZ 10-111 | |
| 43 | 2 | Kerbnagel | KN 3x5/St | |
| 44 | 1 | Gewindeschutzpf.G1/2 | 10 196 | |
| 45 | 2 | Schutzstopfen Ø6.6 | 10 066 |
