Automatischer Auslöser
LVA 100
N 012 011

- inquire spare part or device -
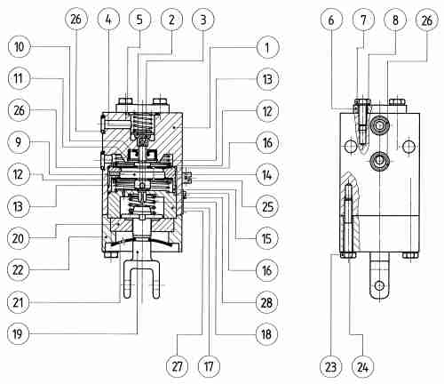
Click on drawing number for information about spare part
| pos. | count | name | drawing number |
|
|---|---|---|---|---|
| 0 | 2 | Sechskantschraube DIN931 | SKS M6x40/18 | |
| 0 | 1 | Lever | ST 303 761 | |
| 1 | 1 | Case | WB 304 844 | |
| 2 | 1 | Ventilstössel komplett | WB 413 366-CU | |
| 4 | 1 | spring | WB 402 512 | |
| 5 | 1 | O-Ring | OR | |
| 6 | 1 | Lid | WB 413 473 | |
| 7 | 2 | Sechskantschraube | SKS M6x16 | |
| 8 | 4 | Federscheibe B6 | FS B6 | |
| 9 | 1 | Stössel | WB 409 485 | |
| 10 | 1 | Wellendichtung ø6,5x22x7 | W 4083 020 | |
| 11 | 1 | Sicherungsring | SR J22x1/A2 | |
| 12 | 2 | pressure disk | WB 409 488 | |
| 13 | 2 | spring | WB 409 539 | |
| 14 | 2 | membrane | WB 409 538 | |
| 15 | 1 | Ring | WB 414 641 | |
| 16 | 2 | O-Ring | OR | |
| 17 | 1 | Bushing | WB 414 643 | |
| 18 | 1 | spring | WB 400 279 | |
| 20 | 1 | Washer | WB 409 490 | |
| 21 | 1 | membrane | WB 411 391 | |
| 22 | 1 | Lid | WB 413 009 | |
| 25 | 1 | Drosselschraube | WB 411 297 | |
| 26 | 2 | O-Ring | OR | |
| 27 | 1 | Schild | E 100 304 | |
| 28 | 2 | cylindrical tapping screw | ZSR 2.9x6.5 |
