emergency brake case
NZ 2
N 013 002

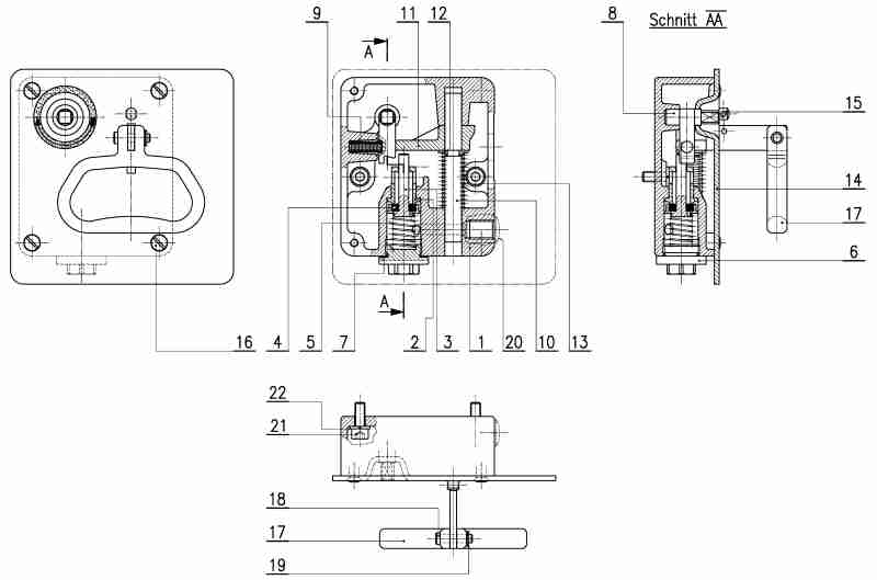
Nach Betätigung der Notbremse bleibt der Griff in der gezogenen Stellung eingerastet und kann nur mit einem geeigneten Vierkantschlüssel zurückgestellt werden. Außerdem besteht die Möglichkeit, den griff in seiner Ausgangslage zu plombieren. Der Notbremszugkasten NZ2 ist so bemessen, dass er auf einfache Art in die Fahrzeugwände eingebaut werden kann.

- inquire spare part or device -
Click on drawing number for information about spare part
| pos. | count | name | drawing number |
|
|---|---|---|---|---|
| 0 | 1 | Schild | E 100.813 | |
| 0 | 2 | Federring 6 DIN 128 | FR Ø6/DIN 128 | |
| 0 | 1 | Bolt | NZ 30-19/H | |
| 0 | 1 | Ventilsitz | ST 401 065/H | |
| 0 | 1 | rubber seal | W 4088 183 X | |
| 0 | 1 | Zugstange | WB 401 063/H | |
| 0 | 1 | Federteller | WB 401 064/H | |
| 0 | 1 | tappet complete | WB 401 066-U | |
| 1 | 1 | Gehäuse NZ 2-2 | ST 200 111 | |
| 5 | 1 | spring | WB 401 067 | |
| 6 | 1 | Lid | WB 401 068 | |
| 8 | 1 | Klinke | ST 401 060 | |
| 9 | 1 | spring | WB 401 059 | |
| 11 | 1 | Druckhebel | ST 401 062 | |
| 13 | 1 | spring | WB 401 061 | |
| 14 | 1 | Lid | NZ 2-3 | |
| 15 | 1 | Zapfen | ST 401 069 | |
| 16 | 4 | Linsensenkschraube | LSS M5x12/A2 | |
| 17 | 1 | Griff | ST 300 148 | |
| 19 | 1 | Greifring G5 x 0.8 | GR G5 x 0.8/bl | |
| 20 | 1 | Gewindeschutzstopfen | 10 107 | |
| 21 | 2 | Inbusschraube DIN 912 | INS M6x16 |
