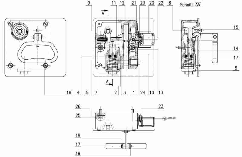
emergency brake case
NZ 24
N 013 017

- inquire spare part or device -
Click on drawing number for information about spare part
| pos. | count | name | drawing number |
|
|---|---|---|---|---|
| 0 | 1 | Gewindeschutzstopfen | 10 107 | |
| 0 | 2 | Blindniet S Ø4x8 | BN/Al 4x8 | |
| 0 | 1 | Schild | E 100.813 | |
| 0 | 2 | Federring | FR B6 | |
| 0 | 1 | Greifring G5 x 0.8 | GR G5 x 0.8/bl | |
| 0 | 4 | Linsensenkschraube | LSS M5x12/A2 | |
| 0 | 1 | Lid | NZ 2-3 | |
| 0 | 1 | Winkel | NZ 24-3/H | |
| 0 | 1 | Positionsschalter | NZ 24-4 | |
| 0 | 1 | Bolt | NZ 30-19/H | |
| 0 | 1 | Ventilsitz | ST 401 065/H | |
| 0 | 1 | rubber seal | W 4088 183 X | |
| 0 | 1 | Ventilstössel | WB 401 057/H | |
| 0 | 1 | Ventilsitzgummi | WB 401 058 | |
| 0 | 1 | spring | WB 401 059 | |
| 0 | 1 | spring | WB 401 061 | |
| 0 | 1 | Zugstange | WB 401 063/H | |
| 0 | 1 | spring | WB 401 067 | |
| 0 | 2 | cylinder head bolt | ZSR M4x12 | |
| 0 | 2 | cylinder head bolt | ZSR M6x16 | |
| 1 | 1 | Case | NZ 24-1 | |
| 6 | 1 | Lid | WB 401 068 | |
| 8 | 1 | Klinke | ST 401 060 | |
| 11 | 1 | Klinkenhebel | NZ 24-2 | |
| 12 | 1 | Federteller | WB 401 064/H | |
| 15 | 1 | Zapfen | ST 401 069 | |
| 17 | 1 | Griff | ST 300 148 |
