housing pre-assembly
ST 201 317-U

- inquire spare part or device -
Click on drawing number for information about spare part
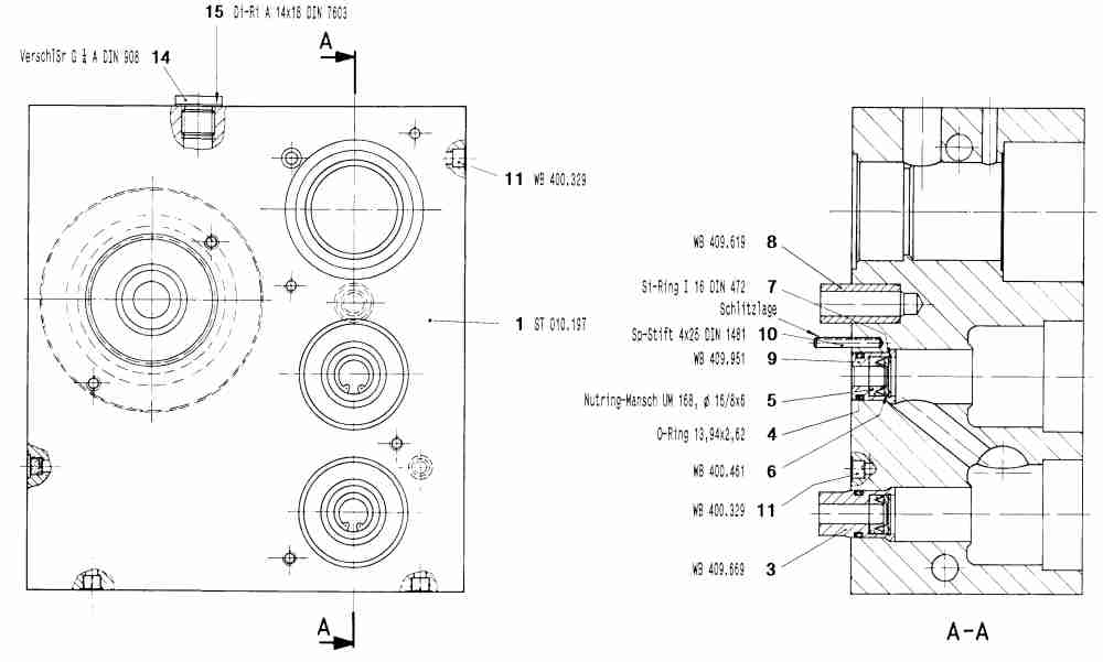
| pos. | count | name | drawing number |
|
|---|---|---|---|---|
| 2 | O-Ring | OR | ||
| 0 | 1 | Spannstift | SPS 4x25 | |
| 0 | 2 | Sicherungsring | SR J16x1/A2 | |
| 0 | 1 | Verschlußschraube 1/4" | VSS G1/4" | |
| 0 | 2 | Nutringmanschette | W 4075 091 | |
| 1 | 1 | Case | ST 010 197 | |
| 2 | 1 | Führung | WB 409 669 | |
| 5 | 2 | Schutzscheibe | WB 400 461 | |
| 7 | 1 | Bushing | WB 409 619 | |
| 8 | 1 | Führung | WB 409 951 | |
| 10 | 5 | dowel | WB 400 329 | |
| 12 | 1 | Dichtring DIN 7603 | DR A14x18 |
